[资料分享] TI电源设计小贴士 43:一款可替代集成 MOSFET 驱动器

[复制链接]
655|1
 楼主| xyz549040622 发表于 2017-5-16 12:18 | 显示全部楼层 |阅读模式
本帖最后由 xyz549040622 于 2017-5-16 12:32 编辑

在电源设计小贴士 #42 中,我们讨论了 MOSFET 栅极驱动电路中使用的发射器跟踪器,并且了解到利用小型 SOT-23 晶体管便可以实现 2A 范围的驱动电流。在本设计小贴士中,我们来了解一下自驱动同整流器并探讨何时需要分立驱动器来保护同步整流器栅极免受过高电压带来的损坏。理想情况下,您可以利用电源变压器直接驱动同步整流器,但是由于宽泛的输入电压变量,变压器电压会变得很高以至于可能会损坏同步整流器。
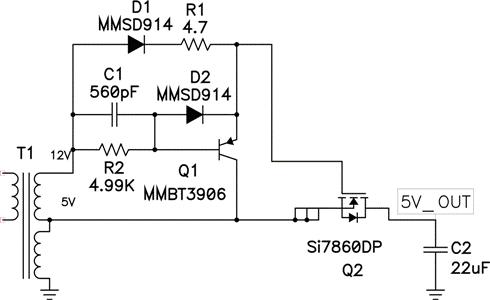
图 1 显示的是用于控制同步反向拓扑中 Q2 传导的分立器件。该电路可以让您控制开启栅极电流并保护整流器栅极免受高反向电压的损坏。该电路可以用变压器输出端的负电压进行驱动。12V 输入与 5V 输出相比负电压值很大,从而引起 Q1 传导并短路电源 FET Q2 上的栅-源电压,迅速将其关闭。由于基极电流流经 R2,因此在加速电容 C1 上就有了一个负电压。在此期间,一次侧 FET 将会发生传导并在变压器磁化电感中存储能量。一次侧 FET 关闭时,变压器输出电压在正电压范围摆动。Q2 栅-源通过 D1 和 R1 被迅速前向偏置。C1 放电时,D2 对 Q1 基极-发射极连接进行保护。在一次侧 FET 再次开启之前,该电路会一直保持这种状态。正如同步降压转换器那样,输出电流会真正地对输出电容进行放电。开启一次侧 FET 会衰减变压器二次侧上的电压并去除 Q2 的正驱动。这种转换会导致明显的贯通叠加一次侧 FET 和 Q2 传导次数。为了最小化该次数,当一次侧和二次侧 FET 均开启时,Q1 将会尽快地短路同步整流器上的栅-源。
图 1 Q1 快速关闭同步反向 FET Q2 
图 2 显示的是用于控制同步正向转换器中 Q1 和 Q4 传导的分立驱动器。在此特殊的设计中,输入电压很宽泛。这就是说两个 FET 的栅极可能会有超过其额定电压的情况,因此就需要一个钳位电路。当变压器输出电压为负数,该电路就会开启 Q4。二极管 D2 和 D4 将正驱动电压限制在 4.5V 左右。D1 和D3 将 FET 关闭, 该 FET 由变压器和电感中的电流进行驱动。Q1 和 Q4 将反向栅极电压钳位到接地。在此设计中,FET 具有相当小栅极电感,因此转换非常迅速。较大的 FET 可能需要实施一个 PNP 晶体管对变压器绕组进行栅极电容去耦并提升开关速度。为栅极驱动转换器 Q2 和 Q3 选择合适的封装至关重要,因为这些封装会消耗转换器中大量的电能(这是因为在 FET 栅极电容放电期间这些封装会起到线性稳压器的作用)。此外,由于更高的输出电压,R1 和 R2 中的功耗可能也会很高。
图 2 D2 和 D4 限制了该同步正向驱动器中正栅极电压
总之,许多具有同步整流器的电源都可以使用变压器的绕组电压来驱动同步整流器的栅极。宽范围输入或高输出电压需要调节电路来保护栅极。在图 1 所示的同步反向结构中,我们向您介绍了如何在保持快速的开关转换的同时控制同步整流器栅极上的反向电压。与之相类似在图 2 的同步正向结构中,我们向您介绍了如何限制同步整流器栅极上的正驱动电压。

comeon201208 发表于 2017-5-16 21:56 | 显示全部楼层
这个的看下的了,,设计的时候能简化电路的
您需要登录后才可以回帖 登录 | 注册

本版积分规则

个人签名:qq群: 嵌入式系统arm初学者 224636155←← +→→点击-->小 i 精品课全集,21ic公开课~~←←→→点击-->小 i 精品课全集,给你全方位的技能策划~~←←

2841

主题

19330

帖子

110

粉丝
快速回复 在线客服 返回列表 返回顶部