[资料干货] 网络变压器参数分类和全面详解

[复制链接]
1088|0
 楼主| 156LLL 发表于 2025-4-29 09:00 | 显示全部楼层 |阅读模式
网络变压器
LAN transformer
规 格:
● 适用于 –40 °C 至 +125 °C 的工业温度
● 数据速率:10/100 Gigabit 2.5G/5G 10G Base-T
● POE 满足:IEEE802.3ab IEEE802.3af IEEE802.3at IEEE802.3bt
● 端口:单端口、双端口、四端口、五端口
● 兼容EtherCAT或Profinet等工业以太网系统
● 与大多数以太网IC兼容Microchip、Texas Instruments、Broadcom、Linear Technology 等应用
● 集线器、路由器、交换机、网络摄像机、物联网应用
Ⅰ网络变压器的作用是什么?
在网络通讯主板上,在PHY芯片与RJ45连接器之间,会有一个黑黑的小方块,这个东西就叫网络变压器,书名“数据汞”,人们常把它称为网络隔离变压器,LAN变压器,局域网变压器,滤波器等。
它在一块网络设备接口上所起的作用主要有两个:
● 一、传输数据,它把PHY送出来的差分信号用差模耦合的线圈耦合滤波以增强信号,并且通过电磁场的转换耦合到不同电平的连接网线的另外一端;
● 二、隔离不同网络设备间的不同电平,以防止不同电压通过过网线传输损坏设备。
除此之外,网络变压器还能对设备起到一定的防雷保护作用。
它主要用在网络交换机、路由器、网卡、集线器里面,起到信号耦合、高压隔离、阻抗匹配、电磁干扰抑制等作用。
Ⅱ网络变压器生产工厂
网络变压器生产工厂按主要生产工序不同大致分为两种:一个是前段生产工厂,主要集中于各内地集中生产地区为主;
二个是后段生产工厂,主要以全系列的产品生产为主,有较强的品牌经营能力和品质管控能力。
Ⅲ网络变压器的工作原理
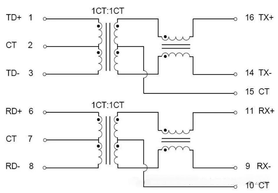
网络变压器基础三大件为:T件(Transformer,变压器)、K件(Common mode Choke,共模扼流圈)、A件(Center Tapped Auto-Transformer,中心抽头自耦变压器);根据组合方式不同,网络变压器又分为:单T件网络变压器、T件+K件网络变压器、T件+三线穿环K件网络变压器和T件+K件+A件网络变压器。

1、工作原理:通过T1变压器将电信号转化为磁信号,再将磁信号转化为电信号输出,及电信号由T1变压器初级(左边)输入,经过T1变压器转化成磁信号后由次级耦合产生电信号由T1变压器(右边)输出,再经过T2电感器滤波后输出平滑的电信号。



2、Choke(扼流圈电感器)的干扰杂讯滤除作用。
● ① 共模Choke的中心抽头线提供共模信号低阻抗回路到地,抑制EMI。



● ② 共模Choke提供高阻抗阻止共模信号通过,抑制EMI。
为什么要接网络变压器?
事实上,变压器理论上不起作用,但风险太大。网络变压器的优点如下:
1.增加传输距离。PHY芯片驱动器的功率有限,当网络线长时,信号到达接收端,信号可能会衰减到不再工作的程度。但在添加网络变压器后,通过变压器输出,驱动能力显著提高,允许信号进一步传输。
2.减少接收PHY芯片时的干扰。接收器和发射机以及网络变压器相当于将PHY与网络线路隔离。网络线路暴露在室外,容易受到各种干扰,无绝缘,PHY芯片的数字输出容易不稳定;
3.改进PHY芯片的接收和传输终端的兼容性。如果PHY接收器使用3.3V,而PHY发射机使用5V,则两者之间的电平信号在没有网络变压器的情况下不兼容。网络变压器可以确保信号正常传输,而不考虑接收和传输时使用的电压


本帖子中包含更多资源

您需要 登录 才可以下载或查看,没有账号?注册

×
您需要登录后才可以回帖 登录 | 注册

本版积分规则

31

主题

31

帖子

0

粉丝
快速回复 在线客服 返回列表 返回顶部