武汉芯源冬季活动盛宴,点燃岁末狂欢的烟火!!!
挑战闯关游戏【赢】芯源丰厚豪礼~~~
活动时间:10月28日-11月27日
参与方式:
将“闯关游戏”的正确答案回复至本帖评论区;
回帖示例:
第一关:xxxxxx
第二关:xxxxxx
活动奖励
优秀奖:闯关成功的用户奖励5元红包;
幸运奖:随机挑选3名闯关成功的用户奖励20元红包;
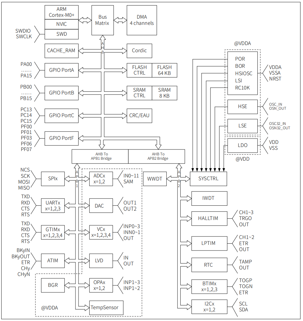
CW32L012新品详情(答案在此↓):CW32L012基于ARM® Cortex-M0+内核,主频高达96MHz,同时集成了CORDIC硬件单元、扩展算术运算单元(EAU),可以提供部分数学函数、算术运算的硬件加速,特别适用于电机控制、电源、计量、信号处理等应用。 同时,CW32L012 是基于 eFlash 的单芯片低功耗微控制器,集成了双12位ADC和双12位DAC,并配备有可灵活连接的双路轨到轨运算放大器,可以在单颗芯片上实现完整的混合信号数字处理。 CW32L012 可以在 -40℃~+85℃ 的温度范围内工作,供电电压宽达1.7V~5.5V。支持 Sleep 和 DeepSleep 两种低功耗工作模式。内部框图如下图所示:  CW32L012提供两种不同的封装形式,基本配置如下表所示: 高性能内核,丰富外设,满足多样化需求 CW32L012 集成了主频高达96MHz 的 ARM® Cortex®-M0+ 内核,能提供更高效的运算能力,同时还集成了如下外设资源: ● 存储资源:64KB Flash + 8KB SRAM; ● 高性能模拟外设:双12位ADC、双12位DAC、双运算放大器(OPA Rail-to-Rail)、模拟比较器(VC)、电压检测(LVD)等; ● 丰富的定时器资源:1组16 位高级控制定时器、4 组 16 位通用定时器、3 组 16 位基本定时器、1 组 16 位低功耗定时器、1 组 24 位霍尔传感器专用定时器、窗口看门狗定时器、独立看门狗定时器,非常适合电机控制等复杂应用; ● 多样化通信接口:3 路低功耗 UART、3 路 SPI 接口、2 路 I2C 接口,方便连接各类外设模组; ● 硬件加速:4通道DMA、CRC硬件计算单元、坐标旋转数字计算算法(CORDIC)、扩展算术运算单元(EAU),提升数据处理效率,减小算力开销; ● 丰富GPIO:最多支持40个GPIO,扩展性强; 工业级可靠性,适应严苛环境 CW32L012 具备出色的抗干扰能力和宽温度、宽电压工作范围、低功耗操作模式: ● 工作温度:-40℃ ~ +85℃,工作电压:1.7V~5.5V; ● ESD防护高达±8KV(HBM),增强系统可靠性; 该特性使其成为工业传感器、智能表计、户外设备等场景的理想选择。 多样化封装,加速产品开发 为满足不同应用需求,CW32L012 提供多种封装选择: ● LQFP48、QFN48 客户可根据产品尺寸和引脚需求灵活选型,降低设计复杂度。 完善生态支持,助力快速量产 武汉芯源半导体提供完整的开发工具链支持,主要包括: ● 技术文档:数据手册、用户手册、元件库、封装库、应用笔记等技术文档; ● 固件库:提供MCU底层驱动源码和应用工程示例,帮助工程师快速入门; ● StartKit板:配套硬件评估板及开发板资料,方便应用代码评测; 了解更多CW32L012新品资源,请见此资料链接
闯关游戏:
第一关:CW32L012基于ARM® Cortex-M0+内核,主频高达_____MHz,集成了_____单元、_____单元,可以提供部分数学函数、算术运算的硬件加速,特别适用于_____、电源、计量、信号处理等应用。
A 48、CORDIC软件、逻辑算术运算、电机控制
B 72、CORDIC硬件、扩展算术运算、电机驱动
C 96、CORDIC硬件、扩展算术运算、电机控制
第二关:CW32L012是基于_____的单芯片低功耗微控制器,集成了双_____位ADC和双_____位DAC,并配备有可灵活连接的_____路轨到轨运算放大器,可以在单颗芯片上实现完整的混合信号数字处理。
A eFlash、6、12、双
B eFlash、12、12、双
C eFlash、12、6、三
第三关:CW32L012可以在 -_____℃~+_____℃ 的温度范围内工作,供电电压宽达_____V~_____V。支持 Sleep 和 DeepSleep 两种低功耗工作模式。
第四关:写出 CW32L012系列新品最打动自己的性能。(选填&回答正确可增加中奖率)
关注武汉芯源 MCU 活动好礼享不停
|