[技术] 一款交流稳流逆变电源的设计实现

[复制链接]
1472|9
 楼主| lzmm 发表于 2013-10-27 16:09 | 显示全部楼层 |阅读模式
目前国内大多数采用的长延时热脱扣试验方案是通过变压器直接对断路器施加一个电压以获得测试电流。在测试过程中,由于电网电压的波动、载流电路中引线电阻变化、负载本身电阻发热变化,使测试电流随之变动,难以满足国家标准的要求。本文介绍了一种新型的交流稳流逆变电源,具有工作稳定可靠、输入功率因数高、输出精度高、波形失真度小、效率高的优点。
交流稳流逆变电源体系结构
功率主电路采用AC/DC/AC结构,如图1所示。前级为功率因数校正(PFC)电路,由Boost变换器构成,用于提高网测功率因数、降低网侧电流的 THD值,并为逆变部分提供一个合适的直流母线电压。后级的全桥逆变电路完成正弦波逆变、快速调压稳流功能。逆变输出的高频SPWM波经过LC滤波,得到平滑正弦波。由于负载电阻小,电压低,电流大(15~160A连续可调),采用升流变压器进行降压增流,可以使逆变电路主开关管的选取容易许多。由图1中可以看出,该逆变器实际上是一个电压型电流源,即通过对逆变桥输出电压的快速调节来实现恒流输出。


 楼主| lzmm 发表于 2013-10-27 16:09 | 显示全部楼层
 楼主| lzmm 发表于 2013-10-27 16:09 | 显示全部楼层
交流稳流源采用全桥SPWM逆变电路,并工作于倍频单极性模式下,这样逆变桥在不增加开关损耗的情况下,其输出电压的频率比开关频率再提高一倍,而且谐波含量较小,可以简化输出LC滤波电路,也有利于减小波形的失真度。 数字部分由MCS-51单片机电路组成,具有两个功能:其一,作为人机接口界面,带有键盘输入和液晶显示模块,实现给定值设定、负载电流显示等功能;其二,单片机与控制电路接口,实现标准正弦波的给定、逆变电路的软启动、电路时序控制、负载检测等诸多功能。交流稳流逆变器的负载是纯阻性负载,增流变压器和负载可视为一等效电阻R。则逆变器输出滤波电感L、滤波电容C和R构成二阶振荡环节,其阻尼比为


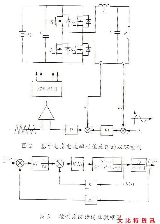
满载时R最大,ξ最小,系统最不稳定;而轻载时R变小,ξ变大,系统较易稳定;所以,闭环稳定性的设计主要考虑R较大时的情况。 本文中采用了带有电感电流瞬时值反馈的双环控制策略,这是因为电感电流等于电容电流与负载电流之和,一方面可对输出电压进行超前控制,以取得比较好的动态特性;另一方面电感电流中包含了负载电流,在输出负载极小的情况下,也能对输出电流进行有效控制。稳流源逆变器的控制系统原理图如图2所示,由小信号模型获得的传递函数框图如图3所示。
系统的闭环传递函数为


 楼主| lzmm 发表于 2013-10-27 16:09 | 显示全部楼层

则开环系统的零、极点分布为



式中:R为等效负载电阻;KiR为外环反馈系数;KiL为内环反馈系数;n为输出变压器原副边变比; Km为全桥逆变电路放大系数;Ka为内环比例补偿增益;Kp+1/τs为外环PI补偿传递函数。 由式(6)可知,当R ),(此式可通过设计保证)时,此时等效负载电阻R较小,系统极点sp2、3分布在负实轴上,系统的根轨迹如图4所示(R1,R2对应的根轨迹);当R>L/(KiLKaKmC+

时,
 楼主| lzmm 发表于 2013-10-27 16:09 | 显示全部楼层

此时等效负载R较大,系统极点sp2、3为一对共轭复数,系统根轨迹如图4所示(R3,R4对应的根轨迹)。根轨迹的渐近线σa=



对于无电感电流瞬时值反馈的系统,其根轨迹如图5所示。可以看出,根轨迹以虚轴为渐近线趋向于%26;#177、∝,相应在控制上必会引起输出电流的振荡,系统不易稳定。而引入电感电流反馈后,根轨迹如图4所示,系统的稳定性增强,动态性能也得以提高。 在不同负载条件下式(2)和式(3)对应的波特图分别如图6和图7所示。由图6可以看出,系统是稳定的,并且系统的相位余量>50%26;#176。由图7可以看出,系统的幅值响应接近1/KiR,在50Hz的频率处,输出电流和给定电流信号之间的相移几乎为零,因此,输出电流能很好地跟随参考信号。高的转折频率和宽的频带能保证系统具有良好的动态性能。



 楼主| lzmm 发表于 2013-10-27 16:10 | 显示全部楼层
 楼主| lzmm 发表于 2013-10-27 16:10 | 显示全部楼层
其它的设计考虑
作为电流源必须考虑输出开路的情况。由于本文中的交流稳流源实质上是一个电压型电流源,即通过快速调节输出电压来实现输出稳流。当输出开路时,输出电压会迅速上升到到直流母线电压附近,而不会像电流型电流源那样升得很高。尽管如此,负载开路时,输出电压仍会迅速上升,并引起输出电压以LC谐振频率进行振荡,这两者均会导致输出波形严重畸变;此外,当输出负载重新接上时会引起输出瞬态过流。因此,系统必须进行过压保护,当输出电压超过设定值时迅速切断逆变器输出。在SPWM全桥逆变器中必然存在着直流偏磁,会导致铁心饱和,不仅加大了变压器的损耗,降低了效率,增大了噪声,严重时会导致励磁电流迅速增大,使功率开关管因过流而损坏。本文采用纠偏电路来抑制直流偏磁,即由LEM器件采样逆变输出滤波电感电流,检出直流电流分量,与零电压比较得到误差,积分后叠加到正弦给定上,实时校正变压器的直流偏磁。其优点在于与电感电流反馈共用一个检测器件,节省费用;当发生直流偏磁时,变压器励磁电流以指数规律迅速增大,比检测电压纠偏的方法灵敏。


 楼主| lzmm 发表于 2013-10-27 16:10 | 显示全部楼层
实验结果
交流稳流逆变电源的规格和控制电路参数如表1所列。逆变器最大输出电流20A,经输出变压器增流后可达200A,以满足对低压电器的大电流测试要求。


 楼主| lzmm 发表于 2013-10-27 16:10 | 显示全部楼层
 楼主| lzmm 发表于 2013-10-27 16:10 | 显示全部楼层
图9~11显示了在不同等效负载电阻R及不同的输出电流条件下输出电流和输出电压的稳态波形。实验波形显示输出电流具有良好的正弦波形和较小的电流脉动,很好地跟随了参考信号。实验中测得在不同输出电流条件下电流误差不超过1%,电流总谐波失真度不超过3%,完全满足了低压电器长延时热脱扣实验对交流稳流逆变电源的性能要求。
您需要登录后才可以回帖 登录 | 注册

本版积分规则

413

主题

9172

帖子

12

粉丝
快速回复 在线客服 返回列表 返回顶部