[技术] 一款新型的过流保护电路设计

[复制链接]
2386|8
 楼主| lzmm 发表于 2013-10-27 16:00 | 显示全部楼层 |阅读模式
近年来,关于LDO的讨论焦点几乎都集中在提高LDO系统性能上,比如稳定性、集成化设计和响应速度。文献使用动态频率补偿技术设计了一款任意负载范围都稳定的LDO;文献[3]对误差放大器通过内部零极点补偿使得LDO 在无需外接ESR电容情况下就能保持稳定,实现SOC 应用;文献在误差放大器与功率管栅极之间通过连接一个单位增益缓冲器提高LDO 的响应速度。在实际应用中,用来保护这些LDO 不被过高电流损坏的高性能过流保护电路同样是稳压器性能的主要指标之一。
LDO中过流保护电路的讨论很少,有限的研究也只限于提高过流保护电路中感应电流的精度以及对过流保护电路中输出电路的改进以减小过流时的功耗等。但它们都是以 “中断”的模式工作。该方案提供了一个过流检测报警系统,由用户决定系统是否继续运行,但瞬时的大过流信号仍可能瞬间击穿或烧毁功率管。
为了让系统更高效地运行同时又能保证安全工作,我们提出了一种新型过流保护电路的设计方案,通过屏蔽电路屏蔽其过流幅值和持续作用时间在设定范围内的过流信号,自动保障系统继续工作;而仅当过流信号的幅值和持续作用时间超过设定范围时,系统才处于“中断”状态,从而能使LDO 更高效和安全地运行。
“屏蔽”模式工作原理
LDO由误差放大器EA、电压基准源、功率管、反馈环路、保护电路和负载电路构成。基本电路取样电压VFB 加在误差放大器EA 的同相输入端,与加在反相输入端的基准电压Vre f 相比较,两者的差值经EA 放大后,控制串联调整管的压降,从而稳定输出电压。如果负载电流超过限制电流,功率管将在持续大电流的作用下烧毁。电路在过流作用下的工作情况取决于功率管的承受能力,以及过流幅值和持续作用时间。
传统的过流保护电路由电流感应电路、比较电路以及输出级组成,分为恒流式过流保护和折返式过流保护。传统的过流保护电路采用的是“中断”模式,对于任何过流情况,只要负载电流大于限制电流,都将使LDO中断运行。

 楼主| lzmm 发表于 2013-10-27 16:00 | 显示全部楼层

当负载电流超过限制电流ILIMIT 不太多且持续作用时间不太长时,我们希望过流保护电路能保持LDO 不中断工作,因此需要采用“屏蔽”模式屏蔽掉部分可以让LDO 不中断运行的过流信号,对于过流幅值和持续作用时间超过范围的过流信号,过流保护电路又能采取中断LDO 工作的模式。传统的“中断”模式电流保护电路工作状态如图1(a)所示,分为正常工作区Ⅰ和“中断”区Ⅱ,当负载电流不超过ILIMIT 时,LDO 工作在正常工作区,当负载电流超过ILIMIT 时LDO 进入“中断”区。加入“屏蔽”模式后的过流保护电路工作状态如图1(b),分为正常工作区Ⅲ、屏蔽区Ⅳ以及中断区Ⅴ,当负载电流小于ILIMIT 时,LDO 处于正常工作区,当过流信号的幅值在ILIMIT 和最大幅值电流IMAX 之间,持续作用时间在t=tMAX 之内即同时满足ILIMIT ≤ ILOAD ≤ IMAX,t ≤tMAX 时,LDO 进入屏蔽区,这个范围之外的过流信号将进入中断区。对比图1(a)和(b)可以看出,改进过流保护电路后的LDO 的正常工作区包括图1(b)的正常工作区Ⅲ和“屏蔽”区Ⅳ,增大了工作区的范围,提高了LDO 的工作效率。




 楼主| lzmm 发表于 2013-10-27 16:01 | 显示全部楼层

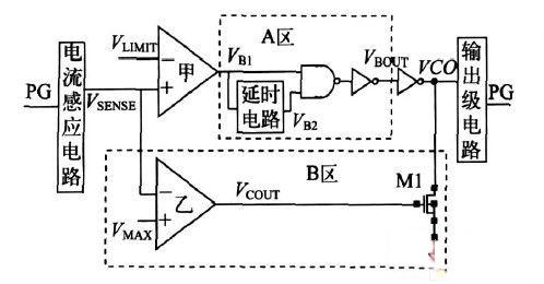
包含过流保护电路的LDO整体框图如图2所示,虚线左边是LDO主体电路,包括误差放大器、功率管、负载电阻以及分压电阻。虚线右边部分为电流保护电路,主要作用是感应并检测负载电流是否超过限制电流,然后通过控制功率管来决定是否使LDO 中断运行,包括电流感应电路和控制电路。传统的过流保护电路只采用图2中实框Ⅱ所示的“中断”模式(不包括虚框),对于任何负载过流情况,不论持续作用时间如何,都使LDO 中断工作;本文在传统的“中断”模式基础上,增加了“屏蔽”模式(如图2中虚框Ⅰ),能有效屏蔽希望LDO不中断工作的过流信号,使LDO更高效运行,同时保留“中断”模式,保证LDO安全工作。




 楼主| lzmm 发表于 2013-10-27 16:01 | 显示全部楼层

“屏蔽”模式电路实现

图3是改进前后的过流保护电路图。不加虚框部分是传统的“中断”模式过流保护电路,由电流感应电路、比较电路以及输出级电路组成。电流感应电路采样功率管电流。采样得到的电流和限制电流ILIMIT 分别转化为比较器的两输入端电压VSENSE 和VLIMIT 并进行比较,得到VCO。VCO作用于输出级电路以控制功率管栅极电压。如果负载过流,过流保护电路使得功率管栅极电压PG 为高电平,强行使LDO中断。



如果我们在电路中加入图3虚框A 区所示的电路结构,电路将变为“屏蔽”模式电流保护。屏蔽电路由延时电路、或非门构成。比较器甲输出的信号VB1 经过延时后得到VB2,VB1 和VB2 进行或非运算再经过一次反向后得到屏蔽电路的输出信号VBOUT。


 楼主| lzmm 发表于 2013-10-27 16:01 | 显示全部楼层
由于逻辑或运算只能使同时为1 的两个信号保持不变,因此,可以通过或非门和反相器消除掉延迟时间内的脉冲信号。在过流保护电路中增加屏蔽电路,则可屏蔽掉延迟时间内的过流信号,但如果负载电流太大,可能瞬间烧毁功率管,因此需要相应的关断电路。当负载电流超过最大限制电流IMAX 时,过流保护电路能不经过延迟直接关断LDO。
3虚框B 区电路能解决屏蔽时间内大电流可能导致功率管瞬间烧毁的问题,当延迟时间内出现很大过流信号时,能及时关断功率管,保证系统安全。关断电路由比较器乙和NMOS 开关管M1 组成。
当过流信号超过最大限制电流I MAX(此时VSE NSE>VMAX)时,比较器乙输出VCOUT 为高电平导致开关管M1 导通,使得VCO 强行为低电平而不受屏蔽电路影响并同步关断LDO,保证功率管安全。当过流电流不是太大时,比较器输出电压VCOUT 为低,开关管M1 不导通,不影响屏蔽电路工作。
 楼主| lzmm 发表于 2013-10-27 16:02 | 显示全部楼层

图3所示的改进电流保护电路能够实现图1(b)所期望的“屏蔽”区工作模式。负载电流过流最大持续作用时间tMAX 和最大过流幅值IMAX 即为“屏蔽”区的时间和幅值边界。实际应用中,功率管能承受的热功耗和击穿电流是有限的。最大持续作用时间tMAX 由功率管能承受的热功耗和散热性能决定,而功率管的最大击穿电流确定了过流的最大幅值IMAX。

对于特定的应用需要,通过设定合理的屏蔽时间与最大过流幅值,能使LDO 更高效地运行。



 楼主| lzmm 发表于 2013-10-27 16:02 | 显示全部楼层

“屏蔽”模式的逻辑关系如图4所示,其中VB1和VCOUT 分别为比较器甲和乙的输出信号,VB1 经过一个延迟时间后输出信号为VB2,屏蔽电路输出电压为VBOUT,VCO为屏蔽电路的输出端。VB1、VB2和VBOUT的波形反应了屏蔽电路的逻辑关系,只有当VB1 和VB2 同时为高电平,VBOUT 才为低电平,否则VBOUT 一直为高电平,因此屏蔽电路屏蔽了延迟时间内的脉冲信号,保持宽脉冲信号;VCOUT为使能端,只要VCOUT为高电平,VCO 立即变为低电平。

电路仿真结果

将上述设计原理应用于输入电压为5V、输出电压3.3V、最大输出电流500mA、限制电流ILIMIT 800mA的LDO,使用CSMC 0.5 μm BiCMOS 工艺Cadencespectre 仿真工具,分别对改进前后的过流保护电路进行仿真。根据功率管特定的需要,设定延时电路延迟时间tMAX 为20 μ s,最大幅值电流IMAX 为3A。

图5中(a)曲线表示负载电流幅值和作用时间的关系,ILIMIT 和IMAX 分别为限制电流和最大幅值电流。图5 中(b)、(c)和(d)曲线分别为采用传统“中断”模式、“屏蔽”模式以及“屏蔽+ 中断”模式过流保护电路后LDO 的输出电压波形。


 楼主| lzmm 发表于 2013-10-27 16:02 | 显示全部楼层


图5(b)表示“中断”模式在所有过流情况时都会关断LDO。图5(c)的“屏蔽”模式能屏蔽tMAX内的过流信号,但同时也屏蔽了过流幅值超过IMAX的电流信号,只有在过流持续作用时间大于tMAX 时,LDO 才被关断。图5(d)的“屏蔽+ 中断”模式下,电路只在过流信号持续作用时间小于tMAX 而且幅值不超过IMAX 时屏蔽掉过流信号,对于其他超过ILIMIT的过流信号,都将中断LDO 运行。通过比较图5 的(b)、(c)和(d)曲线可以得到,相对于图5(b)的“中断”模式,图5(d)的“屏蔽+ 中断”模式扩大了工作区范围,又比图5(c)的“屏蔽”模式保护电路更安全。传统屏蔽电路都会在过流之后关断LDO,我们希望在某些短时且小幅度过流信号下LDO 仍能正常运行。结果表明,设计后的过流保护电路能达到预期效果,保证系统更高效安全地运行。


 楼主| lzmm 发表于 2013-10-27 16:02 | 显示全部楼层
结论
在传统的只采取“中断”模式的过流保护电路基础上,本文提出了一种新型过流保护电路设计方案,通过增加“屏蔽”模式,能有效屏蔽在设定最大过流幅值IMAX 和最大持续作用时间tMAX 内的过流信号,而不影响其他过流情况的关断。通过CSMC0.5μm BiCMOS工艺、Cadence spectre仿真,结果表明,改进后的过流保护电路能有效屏蔽过流幅值和持续作用时间在设定范围内的过流信号,增加了正常工作区的范围,使LDO更高效运行,同时保留“中断”模式,保证LDO 安全工作。
您需要登录后才可以回帖 登录 | 注册

本版积分规则

413

主题

9207

帖子

12

粉丝
快速回复 在线客服 返回列表 返回顶部